Schemat wymiany oleju retardera Voitha
Apr 01, 2007
Wszystkie retardery Voith muszą najpierw odkręcić korek wlewu oleju podczas opróżniania oleju. W tym czasie port wlewu oleju działa jak otwór wentylacyjny, który może szybko spuścić olej odpadowy. Po spuszczeniu oleju dokręć korek spustowy oleju. Powoli dodawaj odpowiednią ilość oleju silnikowego do portu wlewu paliwa i dokręć korek wlewu paliwa. Jeśli przypadkowo dodasz zbyt dużo oleju, możesz tylko powtórzyć akcję spustu oleju i uzupełnić (z wyjątkiem 133-2).
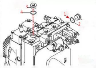
115CT:

1. Korek olejarskiej
2. Podkładka miedziana
3. Podkładka miedziana
4. Korek spustowej oleju
5.O-ring
Wymagane narzędzia: śruba olejująca - klucz sześciokątny 17mm; korek śrubowy spustowy oleju - gniazdo sześciokątne 21mm
Objętość tankowania: 6,4 litra do wymiany oleju konserwacyjnego; 6,8 litra po wymianie grzejnika
115CN:
1. Podkładka miedziana
2. Korek olejarskiej
3. Korek olejarskiej
4. Podkładka miedziana
1. O-ring
2. Podkładka miedziana
3. Korek spustowej oleju
1. Podkładka miedziana
2. Śruba zaworu regulacji ciśnienia
Wymagane narzędzia: śruba olejująca - klucz sześciokątny 17mm; korek spustowy oleju - klucz sześciokątny 10mm
Wtyczka zaworu regulacji ciśnienia również musi być odkręcona, wewnątrz znajduje się niewielka ilość oleju
Objętość tankowania: 5,9 litra do wymiany oleju konserwacyjnego; 6,6 litra po wymianie grzejnika
133-2:
1. Korek olejującej
2. Podkładka miedziana
3. Wskaźnik poziomu oleju
4. Podkładka miedziana
5. Korek śrubowy na poziomie oleju
6. Korek spustowej wody
7. Korek spustowej oleju
8. Podkładka miedziana
9. Podkładka miedziana
10. Korek spustowej oleju i wody
Wymagane narzędzia: Korek olejarskiej i śruba spustowa oleju - zewnętrzne sześciokątne gniazdo zewnętrzne; śruba bagnetowa wtyk-12mm wewnętrzny klucz sześciokątny
Zdolność olejowania: 6 litrów do konserwacji i wymiany oleju; jeśli grzejnik zostanie wymieniony, 7,5-9 litrów w zależności od wielkości grzejnika
Uwaga: Korek odprowadzającej olej i wodę należy zdemontować i sprawdzić podczas rozładowywania oleju. Ścieki i olej odpadowy będą odprowadzane; jeśli przypadkowo dodasz więcej oleju podczas tankowania, możesz odkręcić korek poziomu oleju, aby uwolnić nadmiar oleju.
120-E:
1. Korek olejarskiej
2. Podkładka miedziana
3. Podkładka miedziana
4. Korek spustowej
5. Tabliczka znamionowa
Wymagane narzędzia: Śruba olejująca-klucz imbusowy 17mm; śruba spustowa-klucz imbusowy 10mm
Zdolność olejowania: konserwacja i wymiana oleju 4 litry; jeśli grzejnik zostanie wymieniony, 5,3 litra
123+:
1. Korek olejującej
2. Podkładka miedziana
3. Podkładka miedziana
4. Korek spustowej oleju
5. Podkładka miedziana
6. Korek spustowej oleju
7. Podkładka miedziana
8. Korek spustowej oleju
1. Wlot wody
2. Czujnik temperatury oleju
3.tabliczka znamionowa
4. Czujnik temperatury wody
5. Wylot wody
6. Śruba spustowa oleju
7. Śruba spustowa wody
8. Korek spustowej oleju
Wymagane narzędzia: śruba olejująca - klucz sześciokątny 17mm; śruba olejująca - klucz sześciokątny 12mm i 6mm
Podczas spuszczania oleju należy odkręcić wszystkie 3 korki spustowe oleju, aby spuścić olej.
Ilość olejowania: 6 litrów do konserwacji wymiany oleju; 6,5 litra po wymianie grzejnika
115E:
1. Korek olejarskiej
2. Zawór proporcjonalny
3. Obudowa zwalniacza
4.tabliczka znamionowa
5. Czujnik temperatury wody
6. Wylot wody
7. Grzejnik
8. Wlot wody
1. Czujnik ciśnienia
2. Czujnik temperatury oleju
3. Korek spustowej oleju
4. Korek spustowej oleju (2szt)
Wymagane narzędzia: śruba olejująca - klucz sześciokątny 17mm; korek spustowy oleju - klucz sześciokątny 12mm
Podczas spuszczania oleju należy odkręcić wszystkie 3 korki spustowe oleju, aby spuścić olej.
Ilość oleju: 6,7-7 litrów w zależności od rodzaju chłodnicy, wymiana oleju konserwacyjnego; 7,2-7,5 litra, jeśli grzejnik zostanie wymieniony.






